Schweizer 635 CSI Steuergerät defekt (BMW-E24-Forum)

honyama, (vor 21 Stunden, 17 Minuten)

Hallo werte Forengemeinde,

ein 635 CSI aus 03/1983 als EX-Schweiz-Fahrzeug ist bei mir gestrandet, da er keinen Zündfunken und auch keine Kraftstoffpumpen-Ansteuerung mehr hat. (Während der Fahrt erst geruckelt und dann endgültig verstummt).

Bezug nehmend auf folgenden Thread: https://www.bmw-e24-forum.de/index.php?mode=thread&id=159224#p159255 ist auch bei diesem Wagen nicht das 011er Steuergerät (dt. 3.5er 218 PS Version) verbaut, sondern das 043er, welches eigentlich in einen 3.2l ausm E23 gehört.

Aufm Typenschild ist beim Motor auch der 32 6E vermerkt und die Abgasrückführung in den Luftfilterkasten etc. sind ebenfalls verbaut. Somit sollte das mit dem verbauten Steuergerät eigentlich passen.

- Kraftstoffpumpen-Relais gebrückt und Pumpe fördert => Kraftstoff ist somit nicht das Problem
- 12V an der Zündspule liegen an ===> Spannungsversorgung über Zündschloss ist okay
- 12V am 3 poligen Motorstecker liegen auch an ==> Wegfahrsperre etc. sind auch einwandfrei
- Kurbelwellen-Drehzahlsensoren wurden gemessen und testweise gegen Neuteile getauscht ==> dennoch kein Funken
- an den ESV liegen bei Zündung an ca. 0,5V an. Soweit ich mich erinnere, müssten hier eigentlich auch 12V anliegen, da ja wie bei der Zündspule immer auf Masse getaktet wird. (So kenne ich es zumindest von den späteren Modellen).

Jetzt die Frage an die Experten: Für mich sehen die sonstigen Anbauteile des Motors alle identisch zu einem deutschen 3.5er CS/1 aus der Baugeneration 05/82-08/84 aus.

Gibts sonst noch etwas, was bei den schweizer 3.2 Modellen zusätzlich verbaut ist und jetzt noch als potentielle Fehlerquelle in Betracht kommt? Ansonsten wirds wohl auf das STG hinauslaufen, oder hat mir noch jemand eine andere Vorabprüfung?

Grüße hony

--
Cosmosblauer 09/85 635CSi, Sportsitze pacific mit Klima, abnehm. AHK, 25% Sperrdifferential, SWRA, eSSD, BC2, Tempomat, elek. Antenne, Feuerlöscher Fahrersitz, Sitzheizung vo+hi, Zender-Seitenschweller, Oil-Level-Matic, Öldruck/Temperatur- und Voltanzeige

Schweizer 635 CSI Steuergerät defekt

Eisbär, (vor 17 Stunden, 33 Minuten) @ honyama

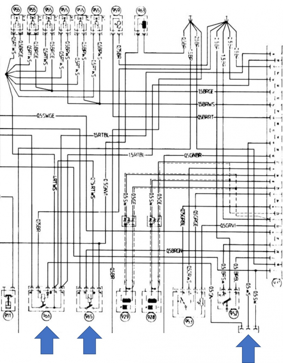
Tach, unabhäng von dem "Schweiz-Gedöns": An den Einspritzventilen muss 12V anliegen, kommend vom "Relais 2 (966) E-Ventile, LL-Regelung, und DME-Steuergerät" (Bezeichnung aus dem 85er Stromlaufplan). Dieses Relais steuert über den Ausgang wiederum "Relais 1 elektr. Kraftstoffpumpe". Das könnte darauf hindeuten, dass dein "Relais 2" defekt ist, nicht angesteuert wird oder dem Relais Kl.30 (Dauerstrom an Pin 30) oder Masse fehlt.

Auch das Motorsteuergerät bekommt von dem Relais 2 seinen Hauptstrom. Deshalb heißt das Relais bei vielen Herstellern "Motorhauptrelais".

Das Relais 2 hat an der Magnetspule ständig Masse anliegen (Kl. 85), + Ansteuerung Kl. 86 kommt über den Stecker "A" (auch mit Pfeil markiert) Fahrzeugkabelbaum (wird das Zündschloss sein). Auch eine Ursachenquelle.

Mein Stromlaufplan vom 83er CH-Ausführung ist leider sehr schlechte Qualität, Screenpshot leider nicht so dolle.

Die beiden Reials blau markiert. Sieht übel aus, ist es aber gar nicht. Am besten den Stromlaufplan in guter Qualität ausdrucken und mit farbigen Stiften die Signalwege markieren.

Hoffe, ich habe nicht zu kryptisch geschrieben. Ansonsten gerne mal melden.

Viel Erfolg, Grüße Lars

[image]

Schweizer 635 CSI Steuergerät defekt

honyama, (vor 16 Stunden, 22 Minuten) @ Eisbär

Tach, unabhäng von dem "Schweiz-Gedöns": An den Einspritzventilen muss 12V anliegen, kommend vom "Relais 2 (966) E-Ventile, LL-Regelung, und DME-Steuergerät" (Bezeichnung aus dem 85er Stromlaufplan). Dieses Relais steuert über den Ausgang wiederum "Relais 1 elektr. Kraftstoffpumpe". Das könnte darauf hindeuten, dass dein "Relais 2" defekt ist, nicht angesteuert wird oder dem Relais Kl.30 (Dauerstrom an Pin 30) oder Masse fehlt.

Auch das Motorsteuergerät bekommt von dem Relais 2 seinen Hauptstrom. Deshalb heißt das Relais bei vielen Herstellern "Motorhauptrelais".

Das Relais 2 hat an der Magnetspule ständig Masse anliegen (Kl. 85), + Ansteuerung Kl. 86 kommt über den Stecker "A" (auch mit Pfeil markiert) Fahrzeugkabelbaum (wird das Zündschloss sein). Auch eine Ursachenquelle.

Mein Stromlaufplan vom 83er CH-Ausführung ist leider sehr schlechte Qualität, Screenpshot leider nicht so dolle.

Die beiden Reials blau markiert. Sieht übel aus, ist es aber gar nicht. Am besten den Stromlaufplan in guter Qualität ausdrucken und mit farbigen Stiften die Signalwege markieren.

Hoffe, ich habe nicht zu kryptisch geschrieben. Ansonsten gerne mal melden.

Viel Erfolg, Grüße Lars

[image]

Hallo Lars,

Danke für dein Input. Du musst allerdings aufpassen. Die Modelle bis 08/1984 haben keine LL-Regelung. Da gibts lediglich den Zusatzluftschieber.

Das Motronik-Hauptrelais zieht an (und ich hab es auch präventiv ersetzt), doch an den ESV und der Zündspule kommt nix an. Kann ja morgen mal noch beide weiteren Relais (Kraftstoffpumpe, etc.) brücken, um 100 %ig sicher zu sein.

Ich sehe den Fehler eindeutig beim Steuergerät, wie es auch damals meinen 3.5er aus 12/82er heimgesucht hat. Nochmal einen Motronik 1.3 Umbau möchte ich aktuell allerdings nicht machen. Dafür fehlt die Zeit, die Lust und vor allem die funktionierenden Teile.

Grüße hony

--
Cosmosblauer 09/85 635CSi, Sportsitze pacific mit Klima, abnehm. AHK, 25% Sperrdifferential, SWRA, eSSD, BC2, Tempomat, elek. Antenne, Feuerlöscher Fahrersitz, Sitzheizung vo+hi, Zender-Seitenschweller, Oil-Level-Matic, Öldruck/Temperatur- und Voltanzeige

RSS-Feed dieser Diskussion