Kurbelwellensensor (BMW-E24-Forum)

Eisbär, (vor 78 Tagen) @ mpoweringo

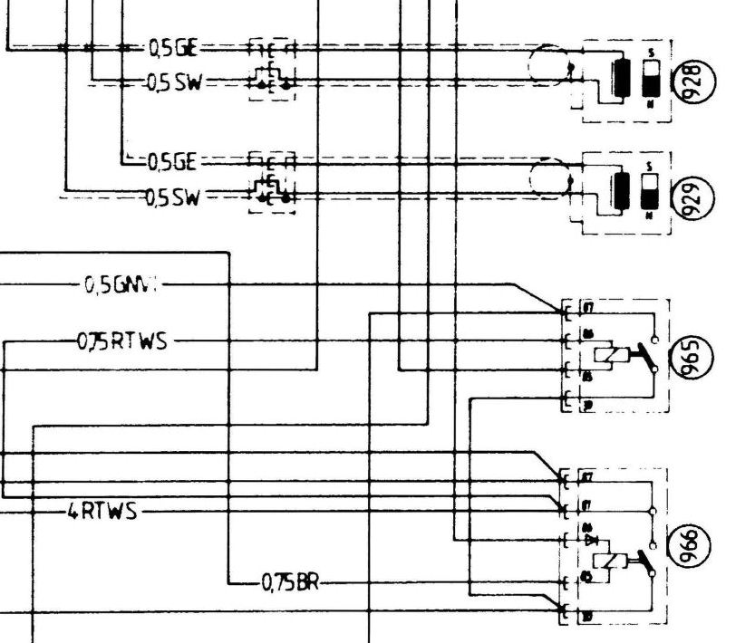
Hi Ingo, ich hoffe, ich habe den richtigen Schaltplan.

Relais mit 5 Steckplätzen ist das Motorhauptrelais "966 Relais 2" und versorgt Einspritzventile und noch weiteres über die beiden Pins 87. Du sagt, das schaltet durch - OK

Relais mit 4 Steckplätzen: Das ist lt. meinem Stromlaufplan "965 Relais 1" und versorgt die Kraftstoffpumpe und Zusatzluftschieber "963" über Pin 87.
Pin 30: Hier müssen 12V (Laststrom für KR-Pumpe) anliegen. Ist zusammengeklemmt mit Pin 30 vom Relais 966.
Pin 85: Masseansteuerung zum durchschalten vom Motorsteuergerät (sollte mit Drehzahlimpuls losgehen)
Pin 86: + Steuerung zum durchschalten vom Hauptrelais 966

Ich würde am Relais 965 Pin 30 und 87 überbrücken (Achtung: mit Sicherung dazwischen) und schauen, ob der Motor dann anspringt. Das ist die Schnellprüfung.

Dann die Einganssignale an Pin 30, 85 und 86 prüfen.

Mit "Sensor vorne" meinst du den Bezugsmarkengeber an der Riemenscheibe (Bezugsmarkengeber "929"), oder Drehzahlgeber "928"? Wenn der nicht funktioniert, könnte das eine Ursache sein, dass das Motorsteuergerät das Relais 965 Pin 85 nicht ansteuert. Kraftstoffpumpe soll nur laufen, wenn der Motor dreht.

[image]

Sorry, hab nur eine eingescannte Version vom Stromlaufplan, Qualität ist nicht überragend.


Hoffe, das hilft. Sag mal Bescheid.

VG Lars


gesamter Thread:

 RSS-Feed dieser Diskussion