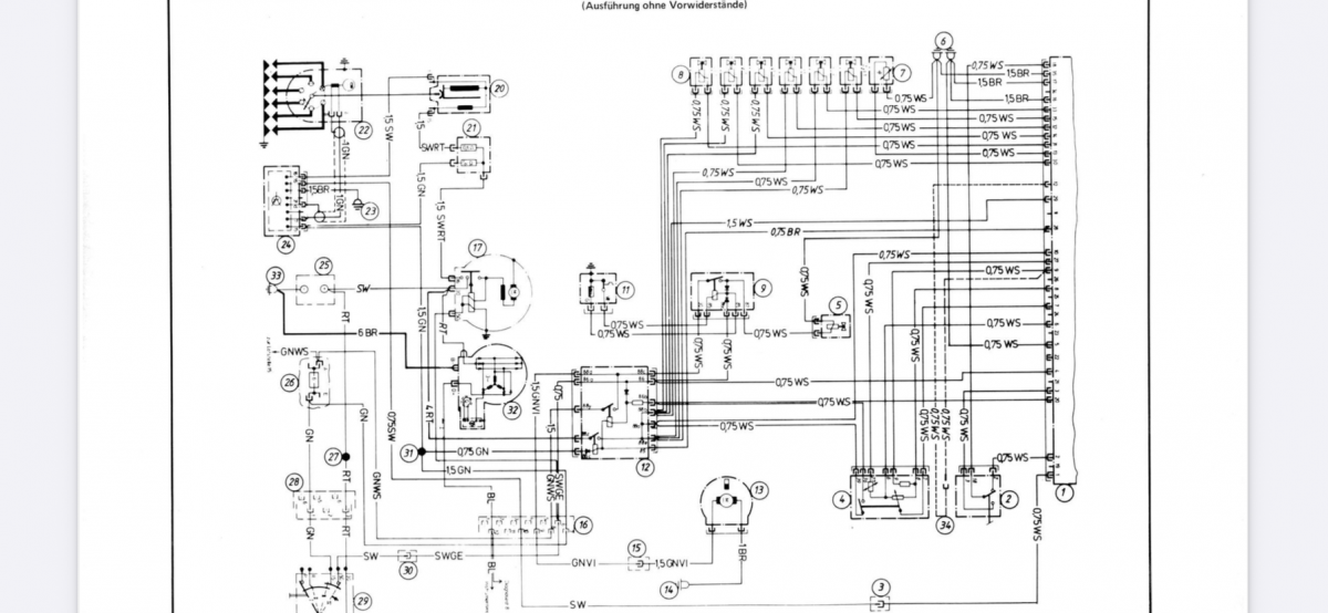
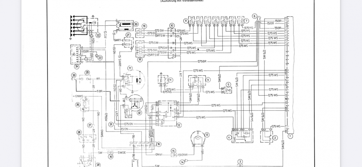
Zündung L-Jetronic (BMW-E24-Forum)
Servus Zusammen,
Bräuchte Hilfe bei einem wohl über 25 Jahre alten Fehler…
Zum Auto: Baujahr Dez 1979, M30B35 (bzw M90) mit L Jetronic.
Im Winter habe ich ihm Pleullager, Steuerkette und ein paar Kleinigkeiten gegönnt. Hinterher wollte ich die Zündung einstellen. Soweit so gut. Zündung einstellt (22Grad bei 1800U/Min). Hinterher lief er gut. Leichte Aussetzer im Leerlauf, die er vorher schon hatte und die ich ihm nach fast 50 Jahren Autoleben auch zugestanden hätte.
Beim Einstellen (Bosch Service, wirklich erfahrener Altmeister) fiehl dann auf, dass die Früh/Spätverstellung nicht arbeitet.
Dose gecheckt - die war im Verteiler ausgehängt. Also wieder eingehängt. Und ab da gingen die Probleme los.
Sobald die Dose dran is und der ZZP eingestellt ist läuft er katastrophal. Wenn die Dose nur im Verteiler „eingehängt“ ist, und die Schläuche ab sind, geht es einigermaßen, er hat aber deutliche Aussetzer und springt schwer an. Sobald die Spät am Unterdruck hängt wird es unwesentlich schlechter, kommt dann die Früh dazu, schüttelt er sich beim Gas geben und geht aus. Wenn man zu abrupt Gas gibt , schießt er sogar. Bei leichtem Gas geben dreht er sehr widerwillig, fängt er sich ab ca 1600 und dreht dann hoch. Wenn er wirklich warm ist und ne Zeit läuft geht er dann einfach aus.
Startverhalten ist quasi nicht vorhanden. Er orgelt ewig kommt dann kurz, schüttelt sich, geht aus, bis er dann irgendwann mit massiven Aussetzern anspringt. Dann braucht er ein zwei Gasstöße um sich zu fangen.
Auch durch „freies Verdrehen“ des Verteilers zu Testzwecken lässt sich das schütteln bei Gas geben nicht wegbekommen.
Abhilfe schafft nur, die Druckdose am Verteiler auszuhängen und so wieder einzubauen, dass der Arm der Dose die Grundplatte in der untersten Position fixiert. Also nicht einhängen, sondern mit dem Arm der Dose die Platte nach, in Drehrichtung, recht drücken.
Mein Altmeister ist mit seinem Latein am Ende. Getauscht wurde bisher:
Zündverteiler (Altteil)
Transistorsteuergerät (einmal Altteil, einmal Neu)
Zündgeschirr
Kerzen
Verteilerfinger
Verteilerkappe
LMM (Altteil)
Zusatzluftschieber (Altteil)
Inzwischen war ich beim Kabelbaum. Dabei ist mir aufgefallen, dass der verbaute bereits 1999 durch ein Neuteil ersetzt wurde. Daher gehe ich davon aus, dass das Problem bereits seit Ende der 90er besteht…
Zu erwähnen ist noch, dass mir der getauschte Zündverteiler beim einstellen ein paar mal einen Schlag verpasst hat. Deshalb hab ich den ursprünglichen wieder verbaut. Da passiert das nicht, jedoch habe ich gestern von der Drosselklappe einen Schlag gekriegt.
Ich bin für jede Idee dankbar.
Leider hat mein Boschdienst Ende September geschlossen. Stehe zwar noch im Kontakt zum Meister, aber der kann nicht mehr 24/7 in seine jetzt verpachtete Werkstatt.
Grüße


![[image]](images/uploaded/2025101816193968f3be1b4d645.jpg)

![[image]](images/uploaded/2025102721134568ffe08945523.jpg)
![[image]](images/uploaded/2025102721324668ffe4fe5aebf.png)
![[image]](images/uploaded/2025102722551568fff85358284.png)
![[image]](images/uploaded/202510281806086901061028356.jpg)
![[image]](images/uploaded/2025102818062969010625eb690.png)
![[image]](images/uploaded/20251201094655692d640f2623b.png)
![[image]](images/uploaded/20251201094618692d63eaae639.png)
![[image]](images/uploaded/20251201094803692d645356b30.png)
![[image]](images/uploaded/202510281000556900945753da3.jpg)
![[image]](images/uploaded/202510281812106901077a21a51.jpg)
![[image]](images/uploaded/2025102818123969010797b5e99.jpg)
![[image]](images/uploaded/202510281810386901071e4acab.jpg)
![[image]](images/uploaded/20251029212325690285cd172ed.jpg)
![[image]](images/uploaded/202510302000016903c3c129dfc.jpg)
![[image]](images/uploaded/202510302000256903c3d99db0d.jpg)
![[image]](images/uploaded/202510302017366903c7e010f8a.png)

![[image]](images/uploaded/20251104171837690a356dd8d41.png)
![[image]](images/uploaded/20251105212347690bc0634ab9c.jpg)
![[image]](images/uploaded/20251105212308690bc03c2cc21.jpg)
![[image]](images/uploaded/20251105212240690bc020cb210.jpg)
![[image]](images/uploaded/20251105205751690bba4f55228.jpg)
![[image]](images/uploaded/20251105205734690bba3e03e12.jpg)