Zündverteiler Umbau möglich? (Technik: Elektrik)

peterm635csi, Essen, (vor 1358 Tagen) @ jfhe86

:-)

[image]
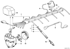
Bei Dir handelt es sich um diese Ausführung?
Kleiner Tip:
[image]]
Den Adapter auf pos.3 ausbauen.Die Schraube 8X40 mit neuen Kupferring
in Pos. 19 wieder reinschrauben.
Dann:
[image]
die Verteilerkappe und Verteilerläufer ,
1235522365 von Bosch und 1234332347 Bosch einbauen .
Kostenpunkt ,ca. 125,00€ ,
Aber,es gibt auch von Bremi den gleichen Satz für unter 50€
Bremi

Alles ist machbar.;-)

Peter

--
Wer schneller fährt kommt früher an .

M 635 CSi,Erstzulassung Oktober 1984, Alpinweiß 146

650CSi ,BJ .2010 ,Alpinweiß 300.

530i,BJ.2018, Mineralweiß

640i,BJ.2013,Alpinweiß 300

Eintrag gesperrt
1080 Views

gesamter Thread:

 RSS-Feed dieser Diskussion