
Verbrauchsanzeige im KI, sowie im BC funktionieren nicht (Technik: Elektrik)
Hallo Stefan,
das Verbrauchssignal erwartet das Kombi auf Pin 2, blauer Stecker, Kabelfarbe weiss-schwarz.
Das Signal ist ein 12V Rechteck, PWM Signal.
Zum Messen und Testen im Auto ziemlich doof, da u.U. das Kombi die Spannung für das Signal
liefern muss.
Messen kannst Du das nur in der AC-Funktion, aber ohne einen spezifischen Wert.
Das Multimeter kann in aller Regel das Rechtecksignal nur grob messen.
Also würde ich dort AC mit ca 3-5V erwarten.
Die Leitung bis zum STG durchpiepsen wäre das nächste.
Auf welchem Pin das STG das Signal liefert, weiß ich aber nicht.
Im E30 Forum wurde das auch schon besprochen, weil dort der Motorenumbau häufiger stattfindet.
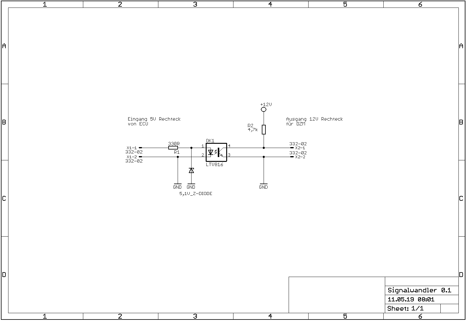
Es kann durchaus sein, dass das STG nur ein Signal von 5V liefert und das genügt dem Kombi nicht. Also kommt in dem Fall ein Signalkonverter ins Spiel der das 5V Signal auf ein 12V Signal ändert.
Als Idee dafür hatte ich mal folgendes skizziert:
Ist aber so noch nie (von mir) getestet worden.
Gruß
Andi
--
* Reparaturen von Cockpit, Niveauschalter*
* Anfragen nur zu Reparaturen von Kombiinstrumenten - für alles andere ist das Forum da *
* Ich verteile keine Schaltpläne per Mail - benutze Google! *