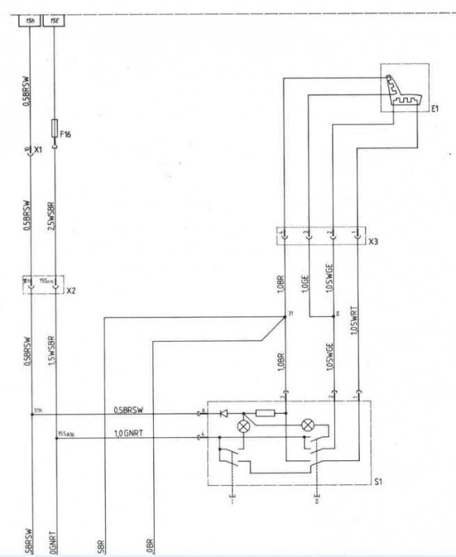
Hab ein vielleicht noch hilfreiches Update. Diesen Schaltplan eines 7poligen Sitzheizungsschalters habe ich gefunden, allerdings stimmt die Beschriftung nicht exakt, denn anstelle 5 und 7 gibt es I und II. Könnte dieser Plan dennoch zu meinen Schaltern und meinen Messungen oben passen? 
![[image]](images/uploaded/2022011023121361dcbd4d14588.jpg)
Hallo,
leider schlechte Nachrichten! Die neuen Schalter haben tatsächlich ein Pin weniger.
Dafür hab ich mir deinen Link nochmal genauer zu Gemüte geführt und es scheint als hätten sie die Schaltung etwas modifiziert und tatsächlich am Sitz 2 Anschlüsse der unteren und Rückenlehne direkt miteinander verbunden.
Ich lese aus der Schaltung:
Pin 1 am Schalter geht als rotes Kabel an eine Sitzheizungsmatte (z.B. Anschluss der unteren Sitzmatte)
Pin 2 am Schalter geht als rotgelbes Kabel an die zweite Leitung von Sitzheizungsmatte (Z.B. 2. Anschluss der unteren Sitzmatte) Dieser wiederum geht dann noch zur einer anderen Leitung an der zweiten Sitzheizungsmatte (z.B. Rückenlehne). Oder anders gesagt: jeweils ein Anschluss der unteren und Rückenmatte sind zusammen an das rotgelbe Kabel von Pin 2 angeschlossen- so wie du es ursprünglich fotografiert hast.
Pin 3 am Schalter geht als braunes Kabel auf Masse
Pin 4 am Schalter geht als grünrotes Kabel an Pin 20 im Fahrzeugkabelbaum und an Pin 4 des Beifahrerschalters, beidesmal vermutlich als MASSE ODER PLUS vom SA-Stecker  
Pin 5 am Schalter des Fahrersitzes geht zudem auch an Pin 4 beim Beifahrersitz
Pin 5 am Schalter bleibt unbelegt (links wie rechts)
Pin 6 am Schalter geht als braunschwarzes Kabel an Pin 19 im Fahrzeugkabelbaum als?! (vermutlich auch Zündungsplus am Sa-Stecker oder auch MASSE). Gespeist von Sicherung 19. Laut http://www.claasi.de/tip001101.php ist bei den Modellen von 1982-85 jedenfalls die Sitzheizung über Sicherung 19 angeschlossen. Bitte prüfen!!
Pin 4 bzw. noch freies letztes freies Kabel der übrigen Sitzheizungsmatte geht auf Masse (braun, sowohl bei FAhrer und Beifahrersitz)
Pin 6 am Schalter (Fahrerseitig) geht zudem an Pin 6 des Beifahrer-Schalters
Kurze Zusammenfassung an den Sitzen:
Dein Vorbesitzer hat richtig angefangen in dem er jeweils 2 Kontakte der beiden Sitzheizungsmatten zusammengedrahtet hatte. Diese 2 zusammengedrahteten Kabel gehen an Pin 2 des Fahrer-bzw. Beifahrerschalters. Ein freies Kabel der 2 übrigen Anschlüsse je Sitz geht nun noch auf Masse . Das letzte unbelegte Kabel an den Sitzen geht jeweils auf Pin 1 am Schalter.
An den Fahrerseitigen Schalter:
Masse über Pin 3, Zuleitung über 4 und 6 (4 Plus oder Masse, 6 Plus oder Masse via Sicherung 19, beide vom SA-Stecker)  Pin 1 und 2 jeweils an Pin 1 und 2 der Matten). Die Beleuchtung erfolgt als Verdrahtung im Schalter.
Zusammenfassung zum beifahrerseitigen Sitzheizungsschalter:
Masse über Pin 3, Zuleitung über 4 und 6 des Fahrersitzes (4 wieder Masse oder Plus , 6 Plus oder Masse via Sicherung 19, beide am SA-Stecker); Pin 1 und 2 jeweils an Pin 1 und 2 der Matten). Die Beleuchtung erfolgt als Verdrahtung im Schalter. Pin 6 geht an Pin 5 des fahrerseitigen Sitzheizungsschalter.
Allgemeine Feststellung:
Ehrlich gesagt wundert mich diese komplizierte Schaltung mit 2 Leitungen in die Schalter und zusätzlichem Masseanschluss an den Matten. Theoretisch muss auch Sicherung 20 der Heckscheibenheizung eingesteckt und intakt sein, außer ich lese den Schaltplan falsch oder hab nen Denkfehler drin.
 
Jedenfalls kein Wunder, dass ab 1985 auf meine  ganz am Anfang des Threads bereits beschriebene Schaltung umgestellt wurde, welche eindeutig weniger fehleranfällig ist und zudem eine (Plus) Zuleitung spart.  
  
 
Angaben ohne Gewähr und wünsche dir viel Erfolg beim Anschließen. Sollte nun kein Hexenwerk mehr darstellen.
Nachtrag rot markiert: Pin 4 an den Schaltern könnte auch jeweils  Plus aus dem SA-Stecker sein. Bitte vorher unbedingt prüfen!
Grüße hony
Letzter Nachtrag: Pin 4 am Sitzheizungsschalter (grün-rot) muss definitiv PLUS sein. Pin 6 an den Schaltern muss wegen der im Schalter eingezeichneten Sperrdiode eigentlich Masse sein, aber bitte nochmals prüfen. Ings. verstehe ich noch nicht ganz, wie die Beleuchtung im Schalter angehen soll, weil dafür fehlt eigentlich ein Masseknoten. Da die Beleuchtung im Schalter gemacht wird und von außen keine Ansteuerungspins da sind, wirds schon irgendwie gehen. Den Wiederstand im Schalter hast du ja auch erfolgreich rausgemessen.
 
--
Cosmosblauer 09/85 635CSi, Sportsitze pacific mit Klima, abnehm. AHK, 25% Sperrdifferential, SWRA, eSSD, BC2, Tempomat, elek. Antenne, Feuerlöscher Fahrersitz, Sitzheizung vo+hi, Zender-Seitenschweller, Oil-Level-Matic, Öldruck/Temperatur- und Voltanzeige