Gebläseregelung erste Serie ohne Klima (BMW-E24-Forum)

Holger Lübben, (vor 2045 Tagen) @ grand122

Hi!

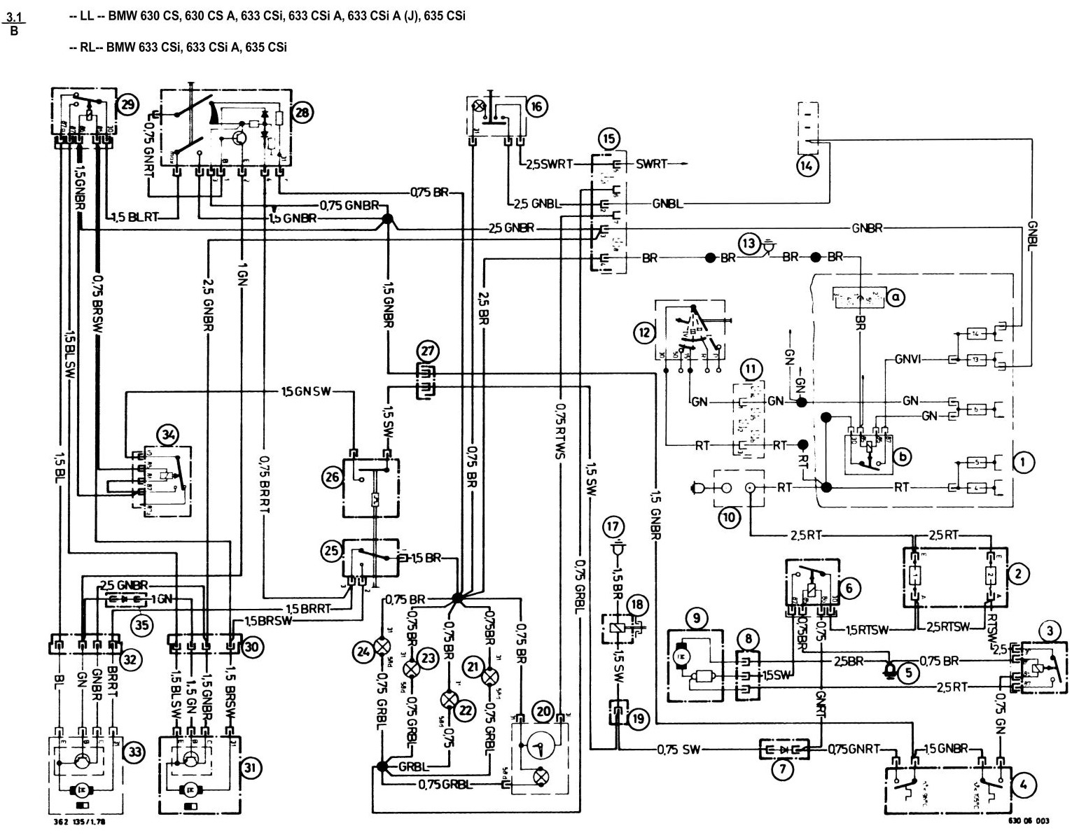
Hier ein Plan von etwa Mitte 1980:

[image]
[image]

Ist zwar mit Klima, aber die eigentliche Drehzahlregelung ist identisch.

Zerlegeanweisungen solltest du in den Reparaturhilfen finden - sofern die Dienste aktuell online sind.

Gruß Holger

Eintrag gesperrt
412 Views

gesamter Thread:

 RSS-Feed dieser Diskussion