Avatar

Massepunkt elektrische Festerheber (BMW-E24-Forum)

WN-AV-513, Schorndorf, (vor 2182 Tagen)

Hallo Zusammen,

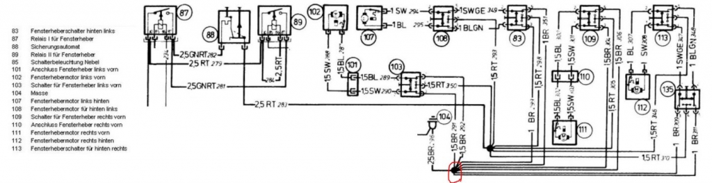
bei mir fährt der Fehnsterheber hinten links nur noch runter und nicht mehr hoch.

Der Motor und Schalter sind soweit i.O und habe bemerkt, dass die Masseleitung (351) einen Weg hat.... soweit wie ich das gerade verfogt habe, geht die Masseleitung in dem Kabelstrang links unter dem Teppich an der Einstriegsleiste entlang. Geht in einen weiteren Kabelstrang über und geht Richtung Spritzwand

Jetzt kommt die Frage, wo endet die Masseleitungen der Fensterheber, wo ist das im Auto zu finden? Massepunkt 104 denke ist die Batterie, wo ist der rote eingeoringelte Punkt, im Motorraum oder unter der Fussraumabdeckung?

[image]

Ein Massepunkt unter dem hinteren Sitz habe ich schon endeckt, da ist ja schnell das Kabel abgekipst und ein neues Kabel hinverlegt. Ich würde nur gerne prüfen, wie der Anschraubpunkt an der Masse aussieht, ob der korrodiert ist oder ein Kabelbruch vorliegt.

Grüße
Heinz

--
635CSI Saturnblau - EZ 30.8.1985 - 235/45ZR17 - Bielstein FW - R134a Umrüstung - G-KAT Nachrüstung - WBAEC7107094024xx

Eintrag gesperrt
468 Views

Massepunkt elektrische Festerheber

Holger Lübben, (vor 2182 Tagen) @ WN-AV-513

Hi!

Zunächst: Du hast einen falschen Schaltplan am Wickel. Das ist ein Plan von vor 1982. Den solltest du nicht nehmen.


Hast du beide Schalter geprüft? Das Fehlerbild kenne ich wenn der Schalter hinten am Rücksitz defekt ist. Tausch den mal von der anderen Seite rüber.

Gruß Holger

Eintrag gesperrt
444 Views
Avatar

Massepunkt elektrische Festerheber

WN-AV-513, Schorndorf, (vor 2182 Tagen) @ Holger Lübben

Hallo Holger,

die Schalter hinten habe ich quergetauscht, der die sind i.O.

Ja der Schaltplan ist für vor 82 habe ich hier gefunden, den hattest du mal hochgeladen ;-) Danke für den Hinweis, die Unterschiede waren mir so nicht bewusst...

Hab nun auch den passenden Plan gefunden und weiss nun wie der Kabelbaum verlegt ist. Werde mir heute mal den vorderen Schalter für das hintere Fenster genauer ansehen und die Leitungen durchklingeln.

[image]

[image]


Grüße


Heinz

--
635CSI Saturnblau - EZ 30.8.1985 - 235/45ZR17 - Bielstein FW - R134a Umrüstung - G-KAT Nachrüstung - WBAEC7107094024xx

Eintrag gesperrt
428 Views

Massepunkt elektrische Festerheber

uli, Bad Oeynhausen, (vor 2182 Tagen) @ WN-AV-513

Eigentlich kann das mit dem Massepunkt nichts zu tun haben. Die Masse wird ja ebenfalls wie der Plus über die Schalter gezogen und gewechselt. Bei meinem habe ich auch so ein ähnliches Phänomen. Mal funktioniert der hintere rechte Fensterheber, mal nicht. Bei meinem scheint das irgendwo innerhalb der Wechselschaltung nen Wackler zu sein, tippe auf die Anschlüsse vom Schalter hinten.

--
Gruß Uli

635CSI, silbermet, Bj 01.79, 5Gang Sport

640iX A GT

Eintrag gesperrt
417 Views

Massepunkt elektrische Festerheber

Holger Lübben, (vor 2181 Tagen) @ WN-AV-513

Hi!

Wenn der Motor in eine Richtung funktioniert, dann hast du garantiert kein Problem mit der Spannungsversorgung oder irgendwelchen Massepunkten.
Tausch bitte auch noch mal den Schalter vorne in der Mittelkonsole.

Gruß Holger

Eintrag gesperrt
422 Views
Avatar

Massepunkt elektrische Festerheber

WN-AV-513, Schorndorf, (vor 2181 Tagen) @ Holger Lübben

Hallo Holger und Uli,

geht wieder :-) der vordere Schalter ist auch i.O. Denke es ist so wie Uli geschrieben hat, ein Wackelkontakt am vorderen Kontaktpin. Mal sehen,ob es das nun war oder wieder kommt.

In jedem Fall kommt nun ein langer 3er Imbus für den Notfall in die Werkzeugklappe. Der fehlt in meinem...

Frohe Ostern und Danke allerseits

Heinz

--
635CSI Saturnblau - EZ 30.8.1985 - 235/45ZR17 - Bielstein FW - R134a Umrüstung - G-KAT Nachrüstung - WBAEC7107094024xx

Eintrag gesperrt
407 Views

RSS-Feed dieser Diskussion