Hilfe mein 635 CSI singt und dröhnt (Technik: Motor /Getriebe)

paulchen panther, (vor 4294 Tagen) @ petersechser

Servus,

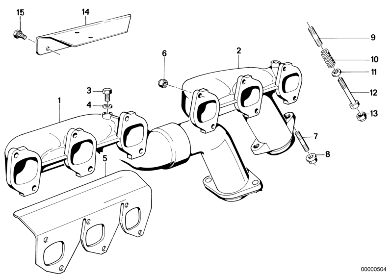
hier die Abgasanlage vorderer Bereich:

[image]
[image]

Das zweite Problem beim E24/" mit Kat ist die Anflanschung von den Flammrohren an die Krümmer. Hier ist nämlich auch keine starre Verbindung, wie es bei den M30-Motoren sonst üblich war, sondern ein Konussitz, der, wie man erkennen kann nur 2 Bolzen besitzt, die mittels Federkraft die Abdichtung/Festsitz bewirken "soll". Die Abgasanlage "arbeitet" aber und reibt diesen Sitz auf, vor allem, wenn die Schraubenfedern nicht ab und an kontrolliert werden. Die Federn (Nr. 2 bzw. 10) dürfen aber nicht auf Block angezogen werden, was manche BMW-Werkstatt und "Ahnungslose" gerne mal tun.
Leider hatte da BMW keine gute Hand bei der Konstruktion - man wollte eben einen Wärmeausgleich mittels der Schraubenfedern und dem Wellrohr wegen des Kats schaffen.
Klarer Schwachpunkt bei den E24/"!

Ansonsten, wie schon Peter oben beschrieb, die üblichen Verdächtigen im Bereich Fahrwerk/Antrieb.

Grüße und such Dir ne gute Werkstatt

Eintrag gesperrt
2222 Views

gesamter Thread:

 RSS-Feed dieser Diskussion