Standheizung (BMW-E24-Forum)

Ulrich56, (vor 4473 Tagen)

Hallo Gemeinschaft,
mein M635CSI Bj.85 verfügt ab Werk über eine Eberspächer Standheizung vom Typ B1L. Leider ist nirgendwo im Auto ein Bedienelement vorhanden.Kann es sein, das sie mit der normalen Heizungsbedienung gekoppelt ist?
Danke für die Antwort
Gruß
Ulrich56

Eintrag gesperrt
1060 Views

Standheizung

Nordlicht, (vor 4472 Tagen) @ Ulrich56

Hi,

kann sein, dass ich mich irre, aber wurde die nicht über den Bordcomputer gesteuert?? Ich glaube, in meinem Bordbuch steht, wie die Standheizung über den Bordcomputer gesteuert wird. Da würd ich unbedingt mal einen Blick reinwerfen!!
Falls Dir keiner eins leihen kann, mach ich Dir Fotos.
Gruß,
Nordlicht

Eintrag gesperrt
754 Views
Avatar

Standheizung

zuendappraider, (vor 4472 Tagen) @ Nordlicht

Das sollte alles über den Bordcomputer laufen...
Ich werde meine auch noch nachrüsten liegt schon im Regal...

Eintrag gesperrt
771 Views

Standheizung

Erwin70, Basel, (vor 4472 Tagen) @ Ulrich56

Hallo Uli, habe mir bei meinem 89er genau diese Anlage vor Jahren nachgerüstet, vieles war schon vorbreitet dafür. Die Anlage läuft über die Stopuhr Funktion. Wenn sie angeschlossen ist und vom BC erkannt wird, zeigt es dir anstatt Stopuhr "heiz" an. Die Stopuhr gibts dann nicht mehr. Dann kannst du da die Startzeit festlegen oder sie direkt starten. Sie läuft 30 min und schaltet sich dann alleine aus. Programieren geht nur in Zündstellung 1. Voraussetzung, dass deine Anlage läuft ist, dass wirklich alles in Ordnung ist, merkt das Steuergerät einen Fehler startet sie nicht und es gibt ein paar von diesen Möglichkeiten. Bevor oder wenn du sie starten kannst, schau sofort unters Auto hinten links und rechts ob alles dicht ist. Unten links ist der Anschluss zum Brenner und rechts ist die Zusatzbenzinpumpe, die kleinen Schläuche muss ich auch alle 3 Jahre ersetzen.
Meine Anlage stammt aus einem 85er und sämtliche Schrauben am Heizgerät waren locker, es empfiehlt sich also die Anlage unter der hinteren Sitzbank links auszubauen und die Schrauben nach zu ziehen. Die Anlage ist mit 4 Schauben befestigt, ist also keine Hexerei, naher wieder Dichtmasse darunter und wieder rein.
Falls sie nicht läuft: Wird sie erkannt vom BC liegt der Fehler beim Lüfterrad dass nicht einschaltet, dem Temperaturüberwacher, der Glühkerze, dem Sicherungsautomat oder dem Steuergerät.
Erscheint nichts im BC von "heiz" unter Stopuhr: Batterie abklemmen und nochmals anschliesen und nochmal kontrolieren, Sicherungen prüfen.( Standheizung wird immer erst nach abgeklemmter Batterie erkannt, also immer wieder abklemmen und neu prüfen ). Die Standheizung ist vorne unten links im Sonderausstattung Gehäuse angeschlossen. Fahrerseite Fussraum links, hinter dem Motorhaubenöffner. Srom prüfen und Sitzbank hinten raus und schauen ob da Strom ankommt. Die Anlage läuft nur ab 11,4 Volt, als Sicherheit, dass man den Motor noch starten kann. Also Volt prüfen hinten am Heizgerät. Kommen da weniger Volt an als die Batterie vorne hat stimmt was mit der Leitung nicht wie es bei mir war, dann einfach direkt das Stromkabel mit einer Sicherung nach vorne ziehen. Hat keinen Einfluss auf die Steuerung.
Viel Spass, hat bei mir auch einen Moment gebraucht bis ich alle Infos hatte, aber wenn sie dann läuft sitzt du immer in ein warmes, Schneefreies Auto. Naja, wenns eingeschneit ist, geht der Schnee einfach weg. Gruss Erwin70

Eintrag gesperrt
705 Views

Standheizung

Ulrich56, (vor 4472 Tagen) @ Erwin70

Hallo an Alle,
danke nochmals für die Antworten,besonders an Erwin.Da habe ich ja direkt eine Gebrauchsanleitung mit Fehlerbeseitigung bekommen.Ich habe den Wagen nun schon einige Zeit, konnte ihn aber wegen eines Motorschadens nicht fahren, sondern repariere ihn langsam Stück für Stück.Erst kürzlich fiel mir dann auf, daß nirgendwo ein separates Bedienpanel für die Heizung vorhanden ist.Nun weiß ich Bescheid und hoffe, es im nächsten Jahr auch testen zu können.
Gruß
Ulrich

Eintrag gesperrt
678 Views
Avatar

Standheizung

zuendappraider, (vor 4461 Tagen) @ Ulrich56

Da ich meine Standheizung diesen Winter auch gern noch einbauen möchte wäre es super wenn ihr noch ein paar Bilder einstellen könntet.
Da meiner ab Werk ohne Standheizung ausgeliefert wurde...
Dankeschön....

Eintrag gesperrt
615 Views

Standheizung

bergkadett07, 88326 Aulendorf, (vor 4461 Tagen) @ zuendappraider

Echt ???
Den 6er im Winter??
Upps!!!:-(

Grüsse Dino

Eintrag gesperrt
612 Views

Standheizung - 10 Jährige Wartung nicht vergessen

Holger Lübben, (vor 4461 Tagen) @ zuendappraider

Hi!

Bei "Luftheizungen" muss der Wärmetauscher alle 10 Jahre erneuert werden.

Gruß Holger

Eintrag gesperrt
622 Views
Avatar

Standheizung - 10 Jährige Wartung nicht vergessen

zuendappraider, (vor 4461 Tagen) @ Holger Lübben

Will ihn nicht im winter fahren aber die standheizung bekommt er trotzdem

Eintrag gesperrt
621 Views

Standheizung

Erwin70, Basel, (vor 4450 Tagen) @ zuendappraider

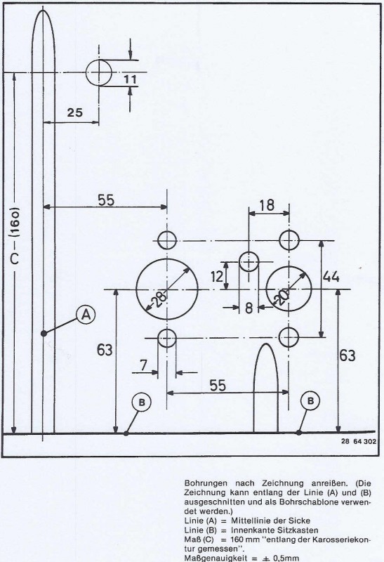
Habe noch eine PDF Datei, fals jemand weiss wie ich das hier her bringe? Gruss Erwin70


[image][image][image][image][image][image][image][image][image][image][image][image][image][image][image][image][image][image][image]

Eintrag gesperrt
624 Views

RSS-Feed dieser Diskussion